在线咨询
联系我们
ENGLISH
欢迎访问乐清市嘉讯电子有限公司!
24小时服务热线
0577-61311351
网站首页
关于我们
产品中心
新闻中心
资质证书
招贤纳士
在线询价
联系我们
搜索
产品中心
3.5耳机插座系列
>
轻触带灯开关系列
>
轻触开关
>
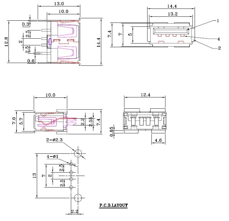
USB
>
船型开关
>
AC电源插座
>
钮子开关
>
拨码开关系列
>
联系我们
销售热线:
Contact Hotline
0577-61311351
18968781351
邮箱:
yqjxdz@163.com
地址:
浙江省乐清市虹桥镇镇南工业区A座6号(虹河西路151号)
当前位置:
首页
>
产品中心
>
USB
USB-027